Yuken PV2R33 Series Double Vane Pump | 210 Bar High Flow | YHDE
Powering Heavy Industry: The Definitive Guide to Yuken PV2R33 Series High-Flow Double Vane Pumps
Introduction
In large-scale industrial operations—such as scrap metal baling, heavy-duty injection molding, and massive hydraulic shears—power and flow are the lifeblood of productivity. When a primary pump fails, every hour of downtime translates into significant financial loss. The Yuken PV2R33 series is the industry standard for high-displacement, high-pressure performance. At YHDE, we leverage over 9 years of specialized manufacturing expertise in our Foshan facility to provide 100% interchangeable PV2R33 solutions. We don't just sell pumps; we provide the precision-engineered "heart" your heavy machinery needs to restore peak performance at factory-direct pricing.
The PV2R33 Advantage: Dual Frame 3 Performance
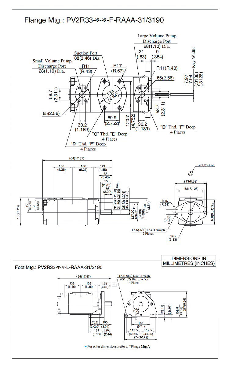
The PV2R33 is a "Heavy-Weight" in the vane pump world. Unlike smaller double pumps, the PV2R33 utilizes two Frame 3 pump sections, allowing for a massive combined displacement. Engineered to handle continuous pressures up to 210 bar, this series provides the stable, high-volume flow required for the most demanding hydraulic circuits. At YHDE, our "drop-in" replacements match every original Yuken mounting dimension and performance curve, ensuring a seamless transition with zero piping modifications.
Reliability Through 100% Multi-Stage Testing
Technical certainty is the highest priority for B2B buyers managing multi-million dollar machinery. Every PV2R33 unit produced by YHDE undergoes a rigorous multi-stage performance test. We verify the flow and pressure of both the front (P1) and rear (P2) sections independently and under simultaneous full load. This ensures zero cross-circuit interference and 100% volumetric efficiency, supporting our 2026 vision of being the world's most reliable hydraulic partner.
Comprehensive PV2R33-F-R-EAA-42 Lineup
Our inventory supports the full range of PV2R33 displacements, all featuring the heavy-duty F-R-EAA-42 configuration. Whether your system requires balanced dual flow or a high-volume primary source, YHDE is ready for rapid global dispatch:
Maximum Displacement: [PV2R33-153-52-F-R-EAA-42] and [PV2R33-136-52-F-R-EAA-42].
Balanced High Flow: [PV2R33-125-52-F-R-EAA-42], [PV2R33-116-52-F-R-EAA-42], [PV2R33-108-52-F-R-EAA-42], and [PV2R33-94-52-F-R-EAA-42].
Precision Industrial Power: [PV2R33-85-52-F-R-EAA-42], [PV2R33-76-52-F-R-EAA-42], [PV2R33-66-52-F-R-EAA-42], [PV2R33-60-52-F-R-EAA-42], and [PV2R33-52-52-F-R-EAA-42].

Technical Specifications: PV2R33 Series Performance Matrix
| Model Code | Front Displacement P1 (ml/rev) | Rear Displacement P2 (ml/rev) | Max. Pressure (bar) | Max. Speed (rpm) |
| PV2R33-153-52 | 153.2 | 52.5 | 210 | 1800 |
| PV2R33-125-52 | 125.0 | 52.5 | 210 | 1800 |
| PV2R33-94-52 | 94.1 | 52.5 | 210 | 1800 |
| PV2R33-76-52 | 76.1 | 52.5 | 210 | 1800 |
| PV2R33-52-52 | 52.5 | 52.5 | 210 | 1800 |
The YHDE Direct-Factory Advantage
Sourcing directly from our Foshan factory eliminates middleman markups and grants you direct access to 9+ years of engineering heritage. Because PV2R33 pumps handle such high volumes, the inlet conditions are critical. We provide 1-on-1 technical support to ensure your system avoids cavitation, and we maintain deep stocks of PV2R33 cartridge kits to ensure your heavy machinery never waits for parts.
Conclusion
Achieve the power and reliability your heavy-duty systems demand with YHDE’s Yuken PV2R33 series. Our engineering team is available to verify your specific requirements and provide a technical quote today.
[Request a Technical Quote for PV2R33 Series Today]
