SQP321 Triple Vane Pump Guide | 100% Vickers Tokimec Compatible | YHDE
Mastering Multi-Circuit Power: The Professional Guide to Vickers SQP321 Series Triple Vane Pumps
Introduction
In complex industrial automation and heavy-duty manufacturing, managing three independent hydraulic circuits from a single drive shaft is a significant engineering challenge. The Vickers SQP321 series (also known under the Tokimec/Tokyo Keiki brand) has long been the gold standard for high-flow, low-noise triple pumps. At YHDE, we leverage over 9 years of specialized manufacturing history in Foshan to provide 100% interchangeable SQP321 solutions that eliminate the need for costly machine re-piping while delivering original-level performance.
The SQP321 Triple Advantage: Efficiency Without Compromise
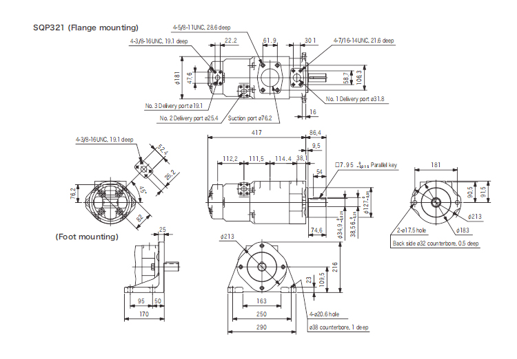
The SQP321 configuration combines three pump frames (Frame 3, 2, and 1) into a single housing. This allows a massive front section flow (up to 38 GPM) for primary power, paired with two smaller sections for secondary and auxiliary functions. This modularity is essential for injection molding machines and large-scale die-casting units where precision and silence are paramount.
Why YHDE is the Preferred Partner for 2026
As we pursue our 2026 goal of leading the global market in high-performance vane pump replacements, our focus is on technical certainty. Unlike standard "aftermarket" suppliers, YHDE performs a rigorous triple-stage performance test on every SQP321 unit. Each of the three sections is tested independently and together under full load to ensure zero cross-circuit interference and perfect volumetric efficiency.
Explore the SQP321-X-10-2 Series Lineup
We maintain a complete inventory of SQP321 configurations, all featuring the standard 86CCC2-18 specification (SAE C 2-bolt flange, keyed shaft, and specific porting). Our factory is ready to ship the following precision "drop-in" replacements:
High-Volume Power: [SQP321-38-10-2-86CCC2-18] and [SQP321-35-10-2-86CCC2-18].
Balanced Flow Sources: [SQP321-32-10-2-86CCC2-18], [SQP321-30-10-2-86CCC2-18], and [SQP321-25-10-2-86CCC2-18].
Precision Auxiliary Units: [SQP321-21-10-2-86CCC2-18] and [SQP321-17-10-2-86CCC2-18].

Technical Specifications: SQP321 Series Performance Matrix
| Model Code | P1 Flow (USgpm) | P2 Flow (USgpm) | P3 Flow (USgpm) | Max. Pressure (bar) | Mounting Standard |
| SQP321-38-10-2 | 38 | 10 | 2 | 175 | SAE C 2-Bolt |
| SQP321-35-10-2 | 35 | 10 | 2 | 175 | SAE C 2-Bolt |
| SQP321-30-10-2 | 30 | 10 | 2 | 175 | SAE C 2-Bolt |
| SQP321-25-10-2 | 25 | 10 | 2 | 175 | SAE C 2-Bolt |
| SQP321-17-10-2 | 17 | 10 | 2 | 175 | SAE C 2-Bolt |
The YHDE Solution-Oriented Approach
By sourcing directly from our Foshan factory, you eliminate the long lead times of original equipment manufacturers while gaining direct access to our 9-year technical heritage. Whether you are facing a pump failure on a Haitian injection machine or upgrading a marine hydraulic circuit, our SQP321 replacements provide the stability your project demands.
Conclusion
Don't let complex pump configurations stall your production goals. Experience the difference that verified quality and factory-direct pricing can make for your 2026 operations.
[Contact Our Engineering Team for a Technical SQP321 Quote Today]
